1. HOME
  2. 製品情報
  3. レベルゲージ
  4. 溶接式ゲージ(ウエルドオンゲージ)

製品情報

溶接式ゲージ(ウエルドオンゲージ)

この型式は直接容器(タンク)に溶接する製品です。
また、ワイパー付きは可視窓内にワイパーを付けてスチームまたは有色流体等の場合に使われます。

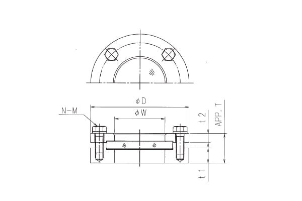
G1 溶接式縦長タイプ

G1 溶接式縦長タイプ
  • 縦長タイプ
  • 縦長形状のガラスで液位を確認
  • 反射式(透明液用)、透視式(有色液用)ガラスに対応
  • 可視幅の異なる2モデルをご用意
    • G1-W16(可視幅:16mm/標準タイプ)
    • G1-W40(可視幅:40mm/オリジナルタイプ)
G1 溶接式縦長タイプ

G2 溶接式円形タイプ

G2 溶接式円形タイプ
  • 円形タイプ
  • 円形ガラスにより容器内部が見やすい
  • 各種のガラス材質、タンク内の曲面に合わせた本体加工等の対応可能
G2 溶接式円形タイプ

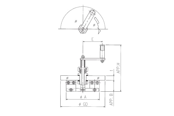
G2-A ワイパー付き溶接式タイプ(中圧タイプ)

G2-A ワイパー付き溶接式タイプ(中圧タイプ)
  • G2溶接形に左右2つのワイパーを取付けたモデル
  • 不可視部が少なく、容器内部がよく見える
  • 動作軸をフランジ部分に設けた中圧にも対応
G2-A ワイパー付き溶接式タイプ(中圧タイプ)

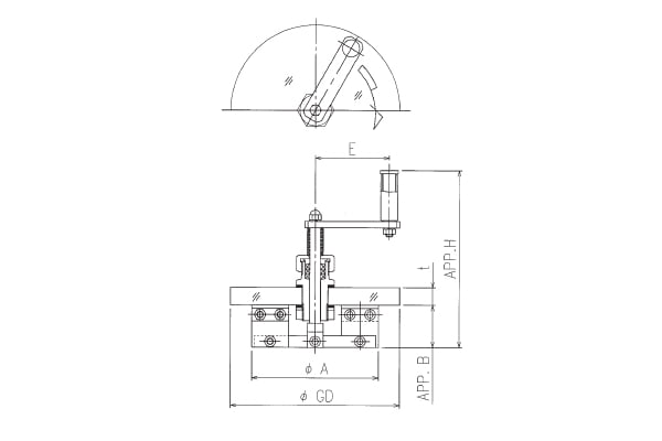
G2-B ワイパー付き溶接式タイプ(低圧タイプ)

G2-B ワイパー付き溶接式タイプ(低圧タイプ)
  • G2溶接形の可視窓中心に回転式ワイパーを取付けたモデル
  • 簡単動作でガラス内面に付着する水垢、藻、水滴、雫、粉を除去
G2-B ワイパー付き溶接式タイプ(低圧タイプ)

動画で見るワイパー付き溶接式液面計

ワイプ付きなら、ハンドルを回して中身を見えます。水垢、藻、粉などの汚れがつきやすい時に便利です。

W ワイパー付ウィンドー(低圧タイプ)

W ワイパー付ウィンドー(低圧タイプ)
  • モデルG2-Bのワイパー付きガラス部分のタイプ
  • 既設円形ガラス式をワイパー付へ取替えて使用
  • 特別寸法品の製作も可能
W ワイパー付ウィンドー(低圧タイプ)

材質表

透視式液面計
反射式液面計
RU-B/TJS-B
・ステンレス鋼管製(304、304L、316、316L)
・ライニング製(グラスライニング、ゴムライニング、各種テフロンコーティング)
・鋼材製(SS400、S25C)
溶接型ゲージ
G1/G2
・ステンレス鋼管製(304、304L、316、316L)
・鋼材製(SS400、S25C)
・接液部ステンレス(接液部:SUS/カパー部:C.S)
G2-A/G2-B
・ステンレス鋼管製(304、304L、316、316L)
・鋼材製(SS400、S25C)

溶接式ゲージ

「溶接式ゲージ」資料ダウンロード

PDF ファイル(791KB)

カタログダウンロード
ご相談・ご質問など
お気軽にお問い合わせください。
電話でのお問い合わせはこちら
東京
03-3252-0411
大阪
06-6531-9411
WEBでのお問い合わせはこちら
お問い合わせ

お問い合わせ

CONTACT

ご相談・ご質問など
お気軽にお問い合わせください。

お問い合わせはこちら
会社情報・採用に関する
お問い合わせ
03-3252-0414
プラント用機器に関する
お問い合わせ
東京
03-3252-0411
大阪
06-6531-9411
工作機械の販売・買取に関する
お問い合わせ
03-3252-0414

カタログダウンロード

CATALOG DOWNLOAD

製品カタログの
ダウンロードはこちらから

製品のお役立ち情報

INFORMATION

製品についての
便利な情報はこちらから