1. HOME
  2. 製品情報
  3. サイトグラス
  4. ランタン式サイトグラス

製品情報

ランタン式サイトグラス

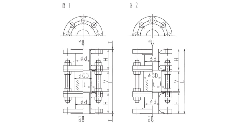
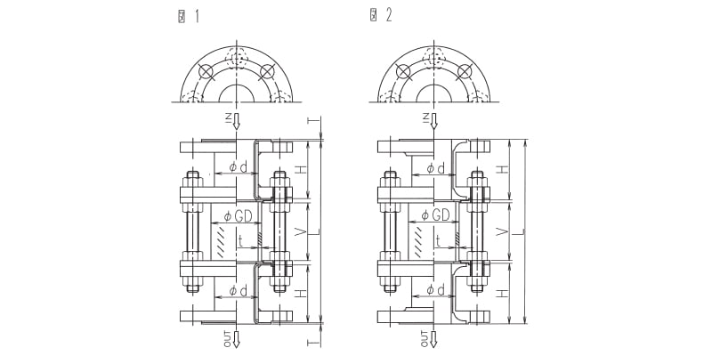
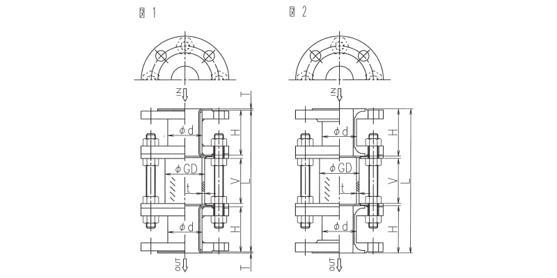
ランタン式サイトグラス フランジ付短管タイプ

S5/S5N
S5/S5N
  • 円筒ガラスをフランジ付短管で両端を挟んだモデル
  • 死角がなく、360°何れの方向からでも液の流れを視ることが可能
  • 炭素鋼、ステンレス鋼の他に特殊材質の製作可能
  • 液体、粉体にも使用可能(粉体で利用される際は、事前にご連絡下さい)
接続口径15A~250A
S5/S5N
S5L/S5NL ライニングタイプ
S5L/S5NL
  • ランタン式ライニング仕様モデル

    • 天然硬質ゴムライニング(HRL)
    • ポリエチレンライニング(PE)
    • グラスライニング(GL)
    • テフロンライニング/コーティング(PFA、ETFE)
    • エポキシ樹脂塗装
接続口径20A~250A
S5L/S5NL ライニングタイプ
材質表
モデル
材質
C/C_J/C_W/NC/S2S/S3/S5/S6/S8/S_S,S_V
  • 鋼管製(SGP、STPG370 他)
  • ステンレス鋼管製(304、304L、316、316L)
  • ライニング製(グラスライニング、ゴムライニング、各種テフロンコーティング)
  • 特殊金属製(LF-2、チタン、ハステロイ 他)
F_F/F_S/FFGL
  • 鍛造品(S25C、A105、SF440A、SUS鋼材)
  • 特殊金属製(チタン、ハステロイ 他)

ランタン式サイトグラス フランジ挟み込みタイプ

S6/S6N
S6/S6N
  • 配管フランジに挟み込んで使用するモデル
  • 面間寸法が短く、狭い場所に最適
  • 液体、粉体にも使用可能(粉体で利用される際は、事前にご連絡下さい)
接続口径20A~250A
S6/S6N
S6L/S6NL ライニングタイプ
S6L/S6NL
  • 配管フランジに挟み込んで使用するモデル
  • ライニング仕様(PFAテフロン、グラスライニング)
  • 面間寸法が短く、狭い場所に最適
  • 液体、粉体にも使用可能(粉体で利用される際は、事前にご連絡下さい)
接続口径20A~250A
S6L/S6NL ライニングタイプ
材質表
モデル
材質
C/C_J/C_W/NC/S2S/S3/S5/S6/S8/S_S,S_V
  • 鋼管製(SGP、STPG370 他)
  • ステンレス鋼管製(304、304L、316、316L)
  • ライニング製(グラスライニング、ゴムライニング、各種テフロンコーティング)
  • 特殊金属製(LF-2、チタン、ハステロイ 他)
F_F/F_S/FFGL
  • 鍛造品(S25C、A105、SF440A、SUS鋼材)
  • 特殊金属製(チタン、ハステロイ 他)

ランタン式サイトグラス

「ランタン式サイトグラス」資料ダウンロード

PDF ファイル(1.4MB)

カタログダウンロード
ご相談・ご質問など
お気軽にお問い合わせください。
電話でのお問い合わせはこちら
東京
03-3252-0411
大阪
06-6531-9411
WEBでのお問い合わせはこちら
お問い合わせ

サイトグラスの納入事例

高圧4面 サイトグラス

高圧4面 サイトグラス

#化学プラント

詳細を見る
二重窓構造 サイトグラス

二重窓構造 サイトグラス

#化学プラント

詳細を見る
納入事例一覧

お問い合わせ

CONTACT

ご相談・ご質問など
お気軽にお問い合わせください。

お問い合わせはこちら
会社情報・採用に関する
お問い合わせ
03-3252-0414
プラント用機器に関する
お問い合わせ
東京
03-3252-0411
大阪
06-6531-9411
工作機械の販売・買取に関する
お問い合わせ
03-3252-0414

カタログダウンロード

CATALOG DOWNLOAD

製品カタログの
ダウンロードはこちらから

製品のお役立ち情報

INFORMATION

製品についての
便利な情報はこちらから