1. HOME
  2. 製品情報
  3. サイトグラス
  4. クロス式サイトグラス

製品情報

クロス式サイトグラス

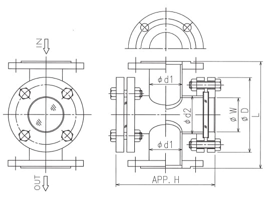
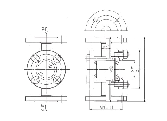
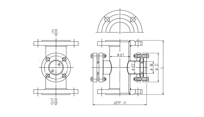
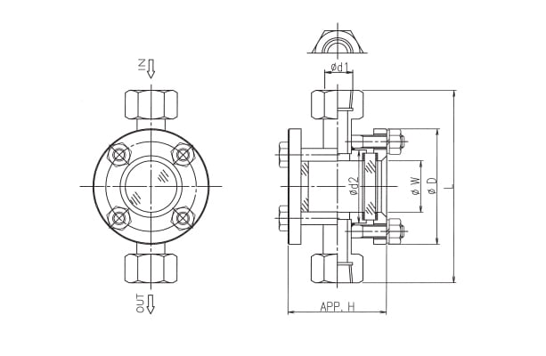
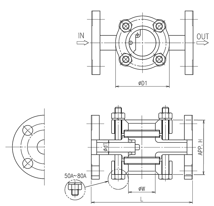
クロス式サイトグラス 標準タイプ

C_
C_

・両側のガラスを個別に取付けたモデル
・可視径が大きく、液体の流れる状況がよく見える
・保温、保冷を要する配管ラインに最適
・炭素鋼、ステンレス鋼の他に特殊材質の製作可能

接続口径15A~250A
C_
C_
内部構造
フローゲージ式
透視式とも呼ばれており、本体内に指示部品などがない構造です。
フロート式
(特許第1139654号)
本体内にボール(フロート)が入っており、液の流れで回転動作する構造です。
<特徴>
(1)フロートの動きにより遠方からでも確認いただけます。
(2)回転運動によりガラス内面に付着した水垢、藻を除去する効果があります。
(3)不透明な流体や夜間見えにくい状況の場合でも、フロートの回転運動によりガラス内面を叩く現象が発生し、その音で流れを確認いただくことができます。
プレート式
内部にプレート(フラッパー)が装備され、流体が流れるとプレートが開く構造です。
<特徴>
(1)プレートの開度により正常時の運動状況の確認が可能です。
(2)プレートが仕切板の役割をし、流体の逆流防止に役立ちます。
ノズル式
入口側のパイプが本体内部まで突き出ている構造
<特徴>
(1)少量の流体の場合にノズルより強制的に流れ落ちる為非常に確認しやすいです。
材質表
モデル
材質
C/C_J/C_W/NC/S2S/S3/S5/S6/S8/S_S,S_V
  • 鋼管製(SGP、STPG370 他)
  • ステンレス鋼管製(304、304L、316、316L)
  • ライニング製(グラスライニング、ゴムライニング、各種テフロンコーティング)
  • 特殊金属製(LF-2、チタン、ハステロイ 他)
F_F/F_S/FFGL
  • 鍛造品(S25C、A105、SF440A、SUS鋼材)
  • 特殊金属製(チタン、ハステロイ 他)

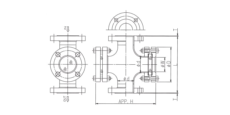
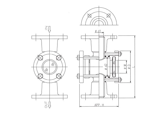
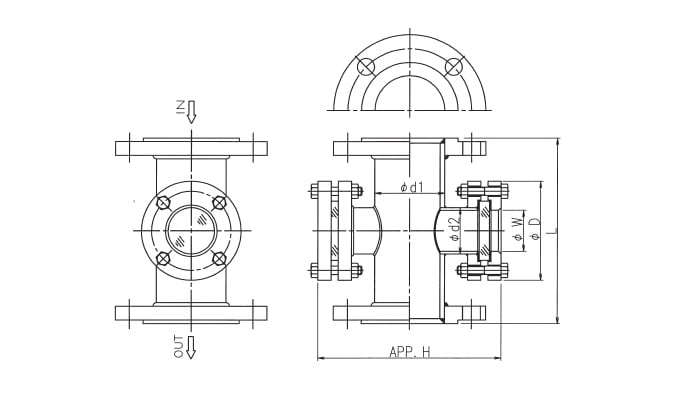
クロス式サイトグラス ジャケットタイプ

C_J
C_J

・クロス式モデルのジャケットタイプ
・液体の加熱、冷却に使用
・炭素鋼、ステンレス鋼の他に特殊材質の製作可能

接続口径15A~250A
C_J
C_J
内部構造
フローゲージ式
透視式とも呼ばれており、本体内に指示部品などがない構造です。
フロート式
(特許第1139654号)
本体内にボール(フロート)が入っており、液の流れで回転動作する構造です。
<特徴>
(1)フロートの動きにより遠方からでも確認いただけます。
(2)回転運動によりガラス内面に付着した水垢、藻を除去する効果があります。
(3)不透明な流体や夜間見えにくい状況の場合でも、フロートの回転運動によりガラス内面を叩く現象が発生し、その音で流れを確認いただくことができます。
プレート式
内部にプレート(フラッパー)が装備され、流体が流れるとプレートが開く構造です。
<特徴>
(1)プレートの開度により正常時の運動状況の確認が可能です。
(2)プレートが仕切板の役割をし、流体の逆流防止に役立ちます。
ノズル式
入口側のパイプが本体内部まで突き出ている構造
<特徴>
(1)少量の流体の場合にノズルより強制的に流れ落ちる為非常に確認しやすいです。
材質表
モデル
材質
C/C_J/C_W/NC/S2S/S3/S5/S6/S8/S_S,S_V
  • 鋼管製(SGP、STPG370 他)
  • ステンレス鋼管製(304、304L、316、316L)
  • ライニング製(グラスライニング、ゴムライニング、各種テフロンコーティング)
  • 特殊金属製(LF-2、チタン、ハステロイ 他)
F_F/F_S/FFGL
  • 鍛造品(S25C、A105、SF440A、SUS鋼材)
  • 特殊金属製(チタン、ハステロイ 他)

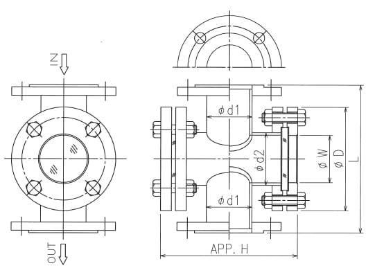
クロス式サイトグラス ワイパー付きタイプ

C_W
C_W

・ワイパー付タイプで可視部が大きい
・ガラスの内面に付着する水滴、水垢/水藻、油や粉に最適

接続口径80A~250A
C_W
材質表
モデル
材質
C/C_J/C_W/NC/S2S/S3/S5/S6/S8/S_S,S_V
  • 鋼管製(SGP、STPG370 他)
  • ステンレス鋼管製(304、304L、316、316L)
  • ライニング製(グラスライニング、ゴムライニング、各種テフロンコーティング)
  • 特殊金属製(LF-2、チタン、ハステロイ 他)
F_F/F_S/FFGL
  • 鍛造品(S25C、A105、SF440A、SUS鋼材)
  • 特殊金属製(チタン、ハステロイ 他)

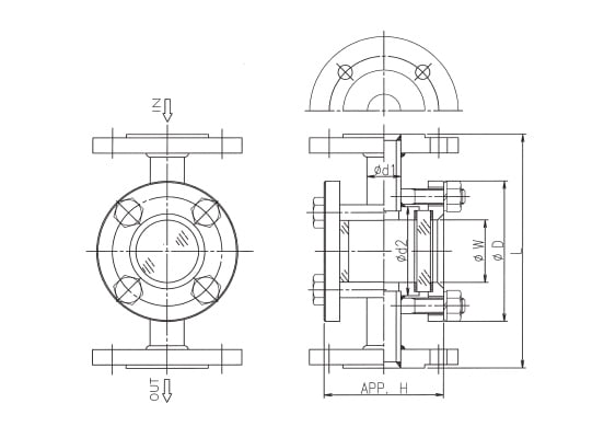
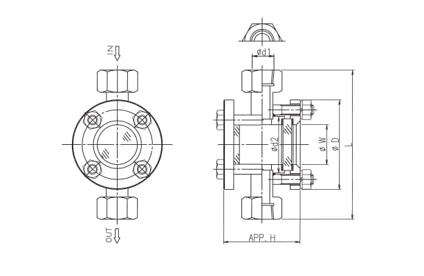
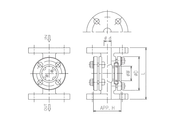
クロス式サイトグラス コンパクトタイプ

S1N
S1N
  • 両側のガラスをボルトで一緒に取り付けるコンパクトなモデル
  • モデル:NCと同じ可視径で、低価格
  • 本体鋳物:SCS13A/SCS16A
  • 接続フランジ:JIS/JPI/ASME
接続口径15A~80A
S1N
S1N
NC
NC

・両側のガラスをボルトで一緒に取り付けるコンパクトなモデル
・大きな可視径で軽量、経済的
・炭素鋼、ステンレス鋼の他に特殊材質の製作可能

接続口径10A~80A
NC
NC
NC(PVC製)
NC(PVC製)
  • 両側のガラスをボルトで一緒に取り付けるコンパクトなモデル
  • 耐蝕、耐薬品に優れた樹脂製品モデル
  • 硬質塩ビ(PVC)
  • 耐熱硬質塩ビ(HT-PVC)
  • 塩ビ樹脂+FRP 補強
接続口径15A~65A
NC(PVC製)
NC(PVC製)
S2S
S2S
  • 両側のガラスを個別に取付けたモデル
  • モデル:Cをコンパクトにしたタイプ
  • 保温、保冷を要する配管ラインに最適
  • 炭素鋼、ステンレス鋼の他に特殊材質の製作可能
接続口径80A~350A
S2S
S2S
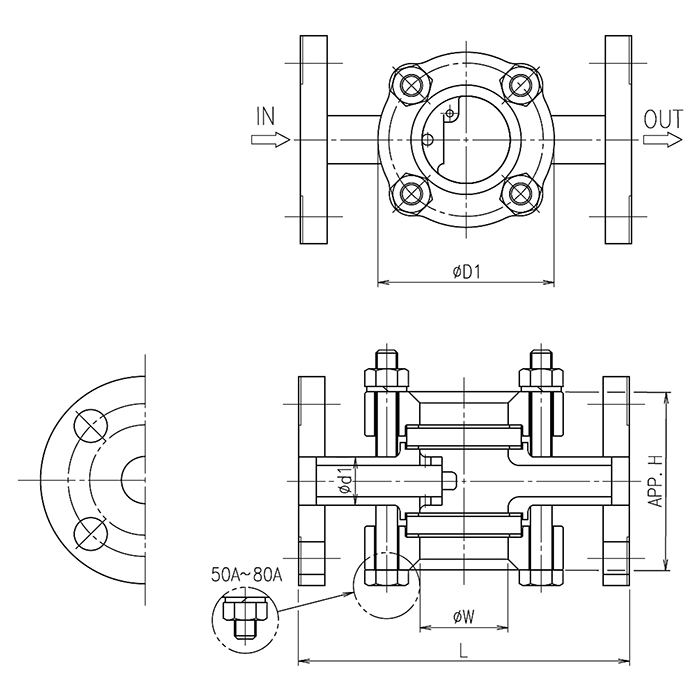
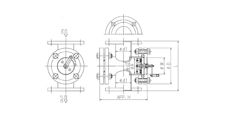
S_S・V_S(捻じ込みタイプ)
S_S・V_S
  • 両側のガラスをボルトで一緒に取り付けるコンパクトなモデル
  • 可視部が大きい、捻じ込み接続モデル(差し込み溶接タイプも製作可能)
  • 炭素鋼(S_S)、ステンレス鋼(V_S)の他に特殊材質も製作
接続口径8A~50A
S_S・V_S(捻じ込みタイプ)
S_S・V_S(捻じ込みタイプ)
内部構造
フローゲージ式
透視式とも呼ばれており、本体内に指示部品などがない構造です。
フロート式
(特許第1139654号)
本体内にボール(フロート)が入っており、液の流れで回転動作する構造です。
<特徴>
(1)フロートの動きにより遠方からでも確認いただけます。
(2)回転運動によりガラス内面に付着した水垢、藻を除去する効果があります。
(3)不透明な流体や夜間見えにくい状況の場合でも、フロートの回転運動によりガラス内面を叩く現象が発生し、その音で流れを確認いただくことができます。
プレート式
内部にプレート(フラッパー)が装備され、流体が流れるとプレートが開く構造です。
<特徴>
(1)プレートの開度により正常時の運動状況の確認が可能です。
(2)プレートが仕切板の役割をし、流体の逆流防止に役立ちます。
ノズル式
入口側のパイプが本体内部まで突き出ている構造
<特徴>
(1)少量の流体の場合にノズルより強制的に流れ落ちる為非常に確認しやすいです。
材質表
モデル
材質
C/C_J/C_W/NC/S2S/S3/S5/S6/S8/S_S,S_V
  • 鋼管製(SGP、STPG370 他)
  • ステンレス鋼管製(304、304L、316、316L)
  • ライニング製(グラスライニング、ゴムライニング、各種テフロンコーティング)
  • 特殊金属製(LF-2、チタン、ハステロイ 他)
F_F/F_S/FFGL
  • 鍛造品(S25C、A105、SF440A、SUS鋼材)
  • 特殊金属製(チタン、ハステロイ 他)

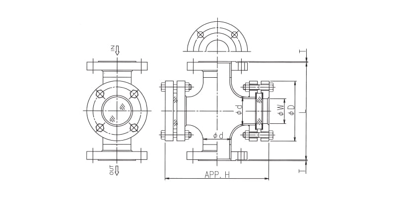
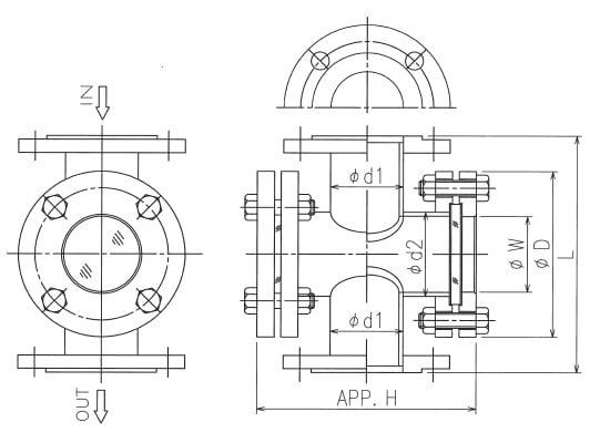
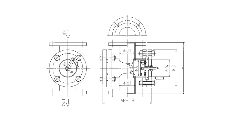
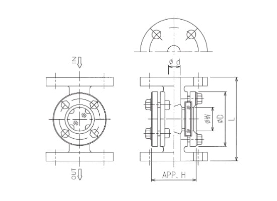
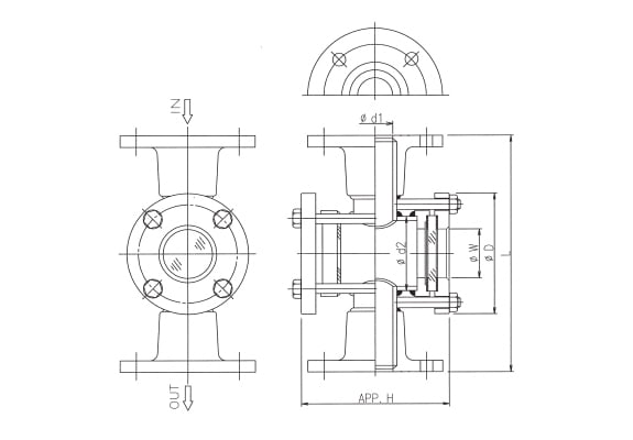
クロス式サイトグラス クロス管タイプ

S3/S3L(ライニングタイプ)
S3/S3L
  • クロス管を用いたモデル(流体抵抗が少ない・内部の液体残留が少ない)
  • 本体部材質:炭素鋼(SGP、STPG)、ステンレス鋼
  • 内面に耐蝕用の各種ライニング施工(天然ゴム・テフロン・グラスライニング・その他)
接続口径40A~200A
S3/S3L(ライニングタイプ)
S3/S3L(ライニングタイプ)
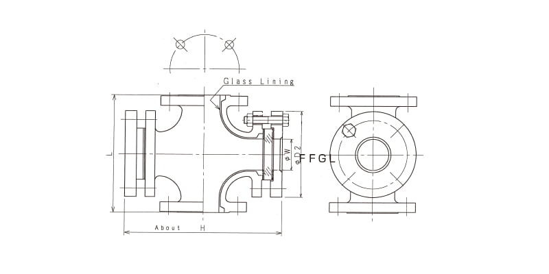
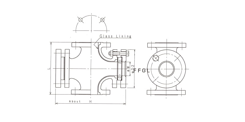
FFGL(グラスライニングタイプ)
FFGL
  • クロス管を用いたモデル(流体抵抗が少ない・内部の液体残留が少ない)
  • 本体部材質:鋳鉄(FC)
  • 内面に耐蝕用の各種ライニング施工(グラスライニング)
接続口径25A~100A
FFGL(グラスライニングタイプ)
FFGL(グラスライニングタイプ)
内部構造
フローゲージ式
透視式とも呼ばれており、本体内に指示部品などがない構造です。
フロート式
(特許第1139654号)
本体内にボール(フロート)が入っており、液の流れで回転動作する構造です。
<特徴>
(1)フロートの動きにより遠方からでも確認いただけます。
(2)回転運動によりガラス内面に付着した水垢、藻を除去する効果があります。
(3)不透明な流体や夜間見えにくい状況の場合でも、フロートの回転運動によりガラス内面を叩く現象が発生し、その音で流れを確認いただくことができます。
プレート式
内部にプレート(フラッパー)が装備され、流体が流れるとプレートが開く構造です。
<特徴>
(1)プレートの開度により正常時の運動状況の確認が可能です。
(2)プレートが仕切板の役割をし、流体の逆流防止に役立ちます。
ノズル式
入口側のパイプが本体内部まで突き出ている構造
<特徴>
(1)少量の流体の場合にノズルより強制的に流れ落ちる為非常に確認しやすいです。
材質表
モデル
材質
C/C_J/C_W/NC/S2S/S3/S5/S6/S8/S_S,S_V
  • 鋼管製(SGP、STPG370 他)
  • ステンレス鋼管製(304、304L、316、316L)
  • ライニング製(グラスライニング、ゴムライニング、各種テフロンコーティング)
  • 特殊金属製(LF-2、チタン、ハステロイ 他)
F_F/F_S/FFGL
  • 鍛造品(S25C、A105、SF440A、SUS鋼材)
  • 特殊金属製(チタン、ハステロイ 他)

クロス式サイトグラス 鋳物タイプ

S1N
S1N
  • 両側のガラスをボルトで一緒に取り付けるコンパクトなモデル
  • モデル:NCと同じ可視径で、低価格
  • 本体鋳物:SCS13A/SCS16A
  • 接続フランジ:JIS/JPI/ASME
接続口径15A~80A
S1N
S1N
F_F フランジタイプ
F_F
  • 鋳鉄(FC200)製、フランジ接続モデル
  • コンパクトボディで経済的
接続口径15A~100A
F_F フランジタイプ
F_F フランジタイプ
F_S 捻じ込みタイプ
F_S
  • 鋳物製のねじ込み接続モデル、鋳鉄(FC200)製、砲金(BC)製
  • コンパクトボディで経済的
接続口径10A~50A
F_S 捻じ込みタイプ
F_S 捻じ込みタイプ
内部構造
フローゲージ式
透視式とも呼ばれており、本体内に指示部品などがない構造です。
フロート式
(特許第1139654号)
本体内にボール(フロート)が入っており、液の流れで回転動作する構造です。
<特徴>
(1)フロートの動きにより遠方からでも確認いただけます。
(2)回転運動によりガラス内面に付着した水垢、藻を除去する効果があります。
(3)不透明な流体や夜間見えにくい状況の場合でも、フロートの回転運動によりガラス内面を叩く現象が発生し、その音で流れを確認いただくことができます。
プレート式
内部にプレート(フラッパー)が装備され、流体が流れるとプレートが開く構造です。
<特徴>
(1)プレートの開度により正常時の運動状況の確認が可能です。
(2)プレートが仕切板の役割をし、流体の逆流防止に役立ちます。
ノズル式
入口側のパイプが本体内部まで突き出ている構造
<特徴>
(1)少量の流体の場合にノズルより強制的に流れ落ちる為非常に確認しやすいです。
材質表
モデル
材質
C/C_J/C_W/NC/S2S/S3/S5/S6/S8/S_S,S_V
  • 鋼管製(SGP、STPG370 他)
  • ステンレス鋼管製(304、304L、316、316L)
  • ライニング製(グラスライニング、ゴムライニング、各種テフロンコーティング)
  • 特殊金属製(LF-2、チタン、ハステロイ 他)
F_F/F_S/FFGL
  • 鍛造品(S25C、A105、SF440A、SUS鋼材)
  • 特殊金属製(チタン、ハステロイ 他)

クロス式サイトグラス

「クロス式サイトグラス」資料ダウンロード

PDF ファイル(2.2MB)

カタログダウンロード
ご相談・ご質問など
お気軽にお問い合わせください。
電話でのお問い合わせはこちら
東京
03-3252-0411
大阪
06-6531-9411
WEBでのお問い合わせはこちら
お問い合わせ

サイトグラスの納入事例

高圧4面 サイトグラス

高圧4面 サイトグラス

#化学プラント

詳細を見る
二重窓構造 サイトグラス

二重窓構造 サイトグラス

#化学プラント

詳細を見る
納入事例一覧

お問い合わせ

CONTACT

ご相談・ご質問など
お気軽にお問い合わせください。

お問い合わせはこちら
会社情報・採用に関する
お問い合わせ
03-3252-0414
プラント用機器に関する
お問い合わせ
東京
03-3252-0411
大阪
06-6531-9411
工作機械の販売・買取に関する
お問い合わせ
03-3252-0414

カタログダウンロード

CATALOG DOWNLOAD

製品カタログの
ダウンロードはこちらから

製品のお役立ち情報

INFORMATION

製品についての
便利な情報はこちらから