1. HOME
  2. 製品情報
  3. ストレーナ・オートストレーナ
  4. テンポラリーストレーナ

製品情報

テンポラリーストレーナ

その名の通り、使い捨てストレーナです。主にフラッシング用に採用して頂いております。配管のフランジ間に取付、フラッシング後に取り外します。

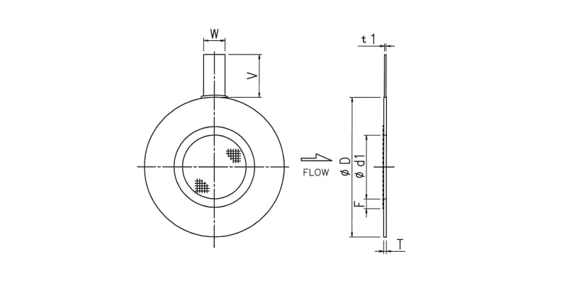
F フラット形状

F フラット形状
F フラット形状

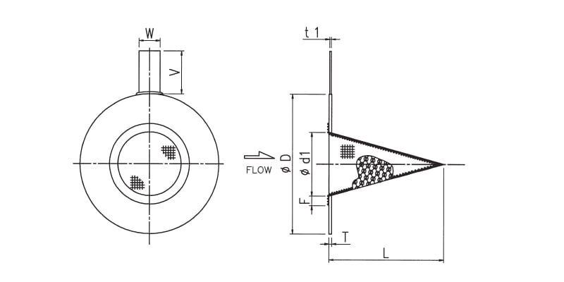
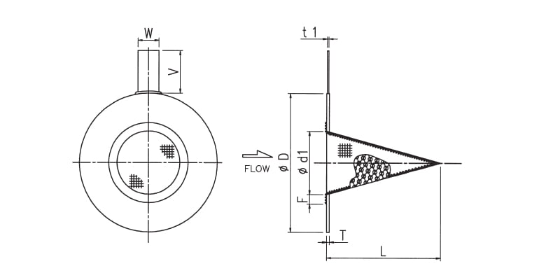
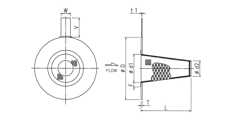
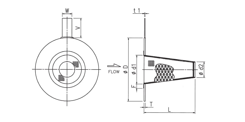
C/CL(ロングタイプ) 円錐形状

C/CL(ロングタイプ) 円錐形状
C/CL(ロングタイプ) 円錐形状

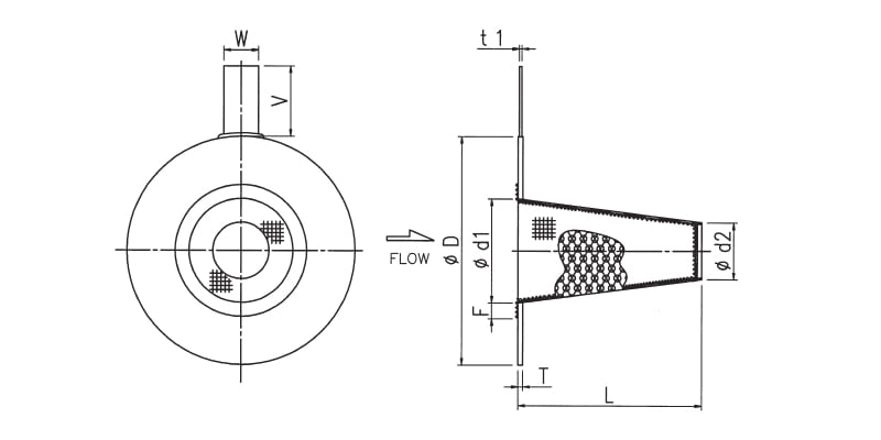
D/DL(ロングタイプ) 円錐台形状

D/DL(ロングタイプ) 円錐台形状
D/DL(ロングタイプ) 円錐台形状

特殊仕様タイプ

  • 常時設置タイプ(パーマネント、コニカル)
  • 逆方向流れの製品(C/CL、D/DL形)
  • 強度アップを図った強固、頑丈な製品
  • 特殊素材の制作も可能

材質表

エレメント
SUS304/SUS316/SUS316L/ハステロイ/モネル/ALLOY20

テンポラリーストレーナ

「テンポラリーストレーナ」資料ダウンロード

PDF ファイル(393KB)

カタログダウンロード
ご相談・ご質問など
お気軽にお問い合わせください。
電話でのお問い合わせはこちら
東京
03-3252-0411
大阪
06-6531-9411
WEBでのお問い合わせはこちら
お問い合わせ

ストレーナ・オートストレーナの納入事例

製鉄所向け 横型オートストレーナ

製鉄所向け 横型オートストレーナ

#製鉄所,#大口径,#オートストレーナ

詳細を見る
製鉄所向け 横型オートストレーナ

製鉄所向け 横型オートストレーナ

#製鉄所,#大口径,#オートストレーナ

詳細を見る
横型オートストレーナ

横型オートストレーナ

#発電所,#大口径,#オートストレーナ

詳細を見る
水力発電所向け 大型オートストレーナ

水力発電所向け 大型オートストレーナ

#大口径,#オートストレーナ,#発電所

詳細を見る
納入事例一覧

お問い合わせ

CONTACT

ご相談・ご質問など
お気軽にお問い合わせください。

お問い合わせはこちら
会社情報・採用に関する
お問い合わせ
03-3252-0414
プラント用機器に関する
お問い合わせ
東京
03-3252-0411
大阪
06-6531-9411
工作機械の販売・買取に関する
お問い合わせ
03-3252-0414

カタログダウンロード

CATALOG DOWNLOAD

製品カタログの
ダウンロードはこちらから

製品のお役立ち情報

INFORMATION

製品についての
便利な情報はこちらから