- HOME
- 製品情報
- ストレーナ・オートストレーナ
- 大型バケット形ストレーナ
製品情報
大型バケット形ストレーナ
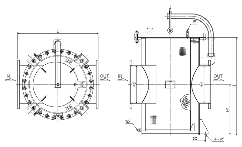
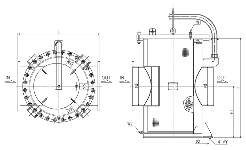
B1-3 ストレートフロー 大型・低圧損タイプ

・スクリーンを有効に仕様して低圧損
・高さを抑えた構造のモデル
・大型、粗ろ過に最適
接続口径 | 450A〜800A |
---|
※上記以外の接続口径も製作しておりますので、お問合せください。
※カバー吊り上げ用のダビットは推奨オプション

・スクリーンを有効に仕様して低圧損
・高さを抑えた構造のモデル
・大型、粗ろ過に最適
接続口径 | 450A〜800A |
---|
※上記以外の接続口径も製作しておりますので、お問合せください。
※カバー吊り上げ用のダビットは推奨オプション
CONTACT
ご相談・ご質問など
お気軽にお問い合わせください。
CATALOG DOWNLOAD
INFORMATION