1. HOME
  2. PRODUCTS
  3. Strainers / Auto Strainers
  4. BUCKET STRAINERS

PRODUCTS

BUCKET STRAINERS

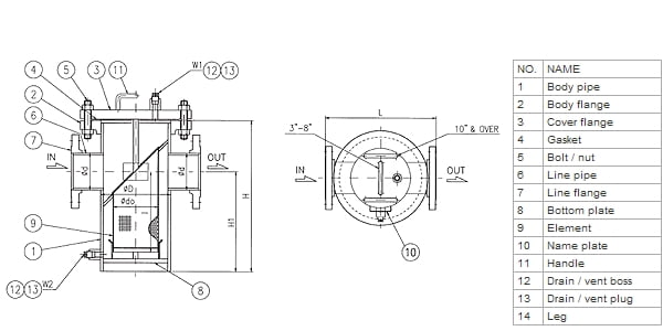
BUCKET STRAINERS B1

BUCKET STRAINERS B1

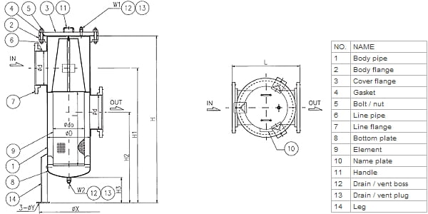
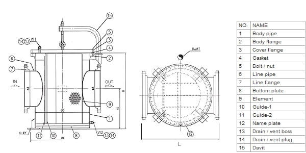
Bucket strainers are mainly installed in horizontal piping. Since the bucket strainer elements housed in the bodies can be taken out from the tops, the debris caught by the elements can be taken outside easily. The design of bucket strainers can be arranged to suit larger piping.

[NOMINAL DIA : 25A~300A]
[NOMINAL DIA : 25A~300A]
[NOMINAL DIA : 350A~500A]
[NOMINAL DIA : 350A~500A]

BUCKET STRAINERS B1-3

BUCKET STRAINERS B1-3

Bucket B1-3 type strainers are designed for high-flow applications or where the lower heights of strainers are required as the maintenance spaces are not too.

MATERIAL

Body
Carbon Steel / SUS304 / SUS316 / SUS316L / Rubber Lining / Lining (Teflon PE PVC Flake) Galvanized, Almanized
Element
SUS304 / SUS304 / SUS316 / SUS316L / SUS316L / SUS304 / SUS316 / SUS316L / Hastelloy Monel / ALLOY20

WHERE TO PLACE

  • Electrical Power Plants and Steel Plants: Sea water and industrial water lines
  • Refinery Plants: Process lines
  • Petrochemical Plants: Process lines

FAQ

Q1. Types of strainers Daido supplies.

Answer1.

  1. Temporary Strainers
    They are to be installed between piping flanges and used for start-up and flushing.
  2. Y-type, T-type and Riser Strainers
    These types of strainers are used for flowing fluids or gases which contains less foreign particles. Y-type and T-type strainers are mainly installed to protect vital piping equipments such as pumps, flow-meters and heat-exchangers. And Riser type is often installed in firefighting equipment lines in order to prevent spray nozzles from clogging.
  3. Bucket Strainers
    Bucket strainers are used to protect piping equipments like other types of strainers. An advantage over the other types of strainers, bucket type is more flexible about adapting specifications such as design pressure and size exactly to customers’ needs.

BUCKET STRAINERS B2

BUCKET STRAINERS B2

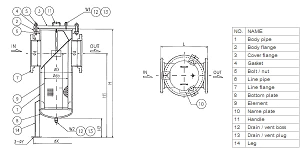
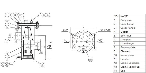
Bucket strainers are mainly installed in horizontal piping. Since the bucket strainer elements housed in the bodies can be taken out from the tops, the debris caught by the elements can be taken outside easily. The design of bucket strainers can be arranged to suit larger piping.

Filtration of B2 type can be designed finer than B1 type.

[NOMINAL DIA : 25A~300A]
[NOMINAL DIA : 25A~300A]
[NOMINAL DIA : 350A~500A]
[NOMINAL DIA : 350A~500A]

MATERIAL

Body
Carbon Steel / SUS304 / SUS316 / SUS316L / Rubber Lining / Lining (Teflon PE PVC Flake) Galvanized, Almanized
Element
SUS304 / SUS304 / SUS316 / SUS316L / SUS316L / SUS304 / SUS316 / SUS316L / Hastelloy Monel / ALLOY20

WHERE TO PLACE

  • Electrical Power Plants and Steel Plants: Sea water and industrial water lines
  • Refinery Plants: Process lines
  • Petrochemical Plants: Process lines

FAQ

Q1. Types of strainers Daido supplies.

Answer1.

  1. Temporary Strainers
    They are to be installed between piping flanges and used for start-up and flushing.
  2. Y-type, T-type and Riser Strainers
    These types of strainers are used for flowing fluids or gases which contains less foreign particles. Y-type and T-type strainers are mainly installed to protect vital piping equipments such as pumps, flow-meters and heat-exchangers. And Riser type is often installed in firefighting equipment lines in order to prevent spray nozzles from clogging.
  3. Bucket Strainers
    Bucket strainers are used to protect piping equipments like other types of strainers. An advantage over the other types of strainers, bucket type is more flexible about adapting specifications such as design pressure and size exactly to customers’ needs.

CONTACT DAIDO

Please click Contact page

Tel : +81-3-3252-0411

CATALOG DOWNLOAD

Please click Catalog page

CONTACT

If you have any inquiries, please feel free to contact us.

Contact US

CATALOG
DOWNLOAD

Click here to download the product catalog