- HOME
- PRODUCTS
- Strainers / Auto Strainers
- Y-TYPE STRAINERS
PRODUCTS
Y-TYPE STRAINERS
Y-TYPE STRAINERS
Y-TYPE STRAINERS Y1

An element of Y-type strainer is to be taken out obliquely downward. Compared with Bucket strainers, Y-type strainers are more suitable for small/medium sizes.

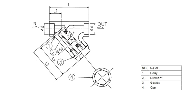
Y-TYPE STRAINERS Y42

Y-type strainers with connecting sizes between 1/2” and 1” (15A~25A). Body sizes of Y42 are larger than their connecting sizes in order to keep certain filtration areas, which helps to prevent high pressure drop.

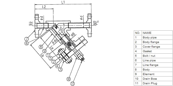
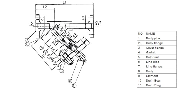
Y-TYPE STRAINERS Y41

These Y-type strainers have their cylindrical elements in the obliquely lower portion.
The elements can be taken out in the oblique downward direction by removing their cover their type.
Compared with the bucket type, y-type strainers are more suitable for small or medium nominal diamters.
[SW CONNECTION]
![[SW CONNECTION]](https://www.daidomachines.com/global/assets/img/products/strainer/strainer_y/img06-01.jpg?version=210719)
[UNDER 1''SIZE]
![[UNDER 1''SIZE]](https://www.daidomachines.com/global/assets/img/products/strainer/strainer_y/img06-02.jpg?version=210719)
MATERIAL
- Body
- Carbon Steel / SUS304 / SUS316 / SUS316L / Rubber Lining / Lining (Teflon PE PVC Flake) Galvanized, Almanized
- Element
- SUS304 / SUS304 / SUS316 / SUS316L / SUS316L / SUS304 / SUS316 / SUS316L / Hastelloy Monel / ALLOY20
WHERE TO PLACE
- Electrical Power Plants and Steel Plants: Sea water and industrial water lines
- Refinery Plants: Process lines
- Petrochemical Plants: Process lines
FAQ
Q1. Types of strainers Daido supplies.
Answer1.
- Temporary Strainers
They are to be installed between piping flanges and used for start-up and flushing. - Y-type, T-type and Riser Strainers
These types of strainers are used for flowing fluids or gases which contains less foreign particles. Y-type and T-type strainers are mainly installed to protect vital piping equipments such as pumps, flow-meters and heat-exchangers. And Riser type is often installed in firefighting equipment lines in order to prevent spray nozzles from clogging. - Bucket Strainers
Bucket strainers are used to protect piping equipments like other types of strainers. An advantage over the other types of strainers, bucket type is more flexible about adapting specifications such as design pressure and size exactly to customers’ needs.
CONTACT DAIDO
Please click Contact page
Tel : +81-3-3252-0411
CATALOG DOWNLOAD
Please click Catalog page