- HOME
- PRODUCTS
- Sight Glass
- Lantern Type
PRODUCTS
Lantern Type
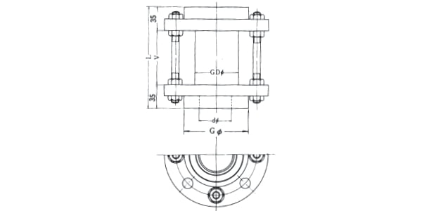
TYPE S5

The most significant features of lantern type S5 sight glasses is that fluid flow conditions can be observed from every angle.

TYPE S6


MATERIAL
Design | Material |
---|---|
Welded | Carbon Steel (SGP, STPG370, etc) Stainless Steel (304, 304L, 316, 316L) Lining (Glass Lining, Rubber Lining, Teflon Lining) Special metals (LF-2, Titanium, Hastelloy, etc) |
WHERE TO PLACE
We have delivered sight glasses to various plants all over the world. And, thanks to our clients, our sight glasses are highly appreciated not only in Japan but also all over the world.
Our products are custom-made. With fifty year experiences, we are flexible with the demands of custom tailoring and have a capability to meet any requirements.
As a pioneer of sight glass manufacturer, we keep on developing new products and provide our clients with high-quality products.
CONTACT DAIDO
Please click Contact page
Tel : +81-3-3252-0411
CATALOG DOWNLOAD
Please click Catalog page