1. HOME
  2. PRODUCTS
  3. Strainers / Auto Strainers
  4. T-TYPE STRAINERS

PRODUCTS

T-TYPE STRAINERS

T-TYPE STRAINERS

T1

T-TYPE STRAINERS T1

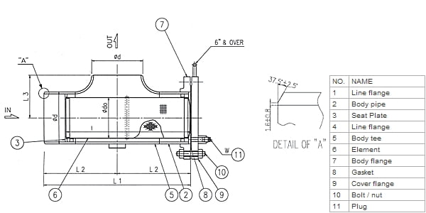
T-type strainers are installed at 90゜ bend piping.
The cylindrical element housed in the body can be taken out to horizontal center line by removing the cover.

【FLANGE-TYPE】
【FLANGE-TYPE】
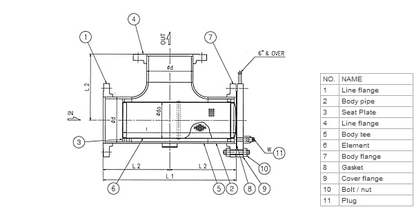
【BUTT WELD-TYPE】
【BUTT WELD-TYPE】

T-TYPE STRAINERS T4

T-TYPE STRAINERS T4

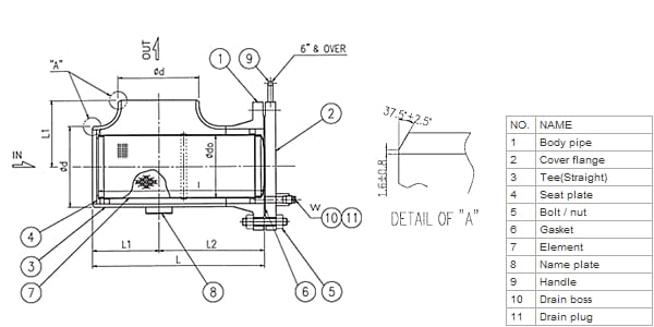
T4 is compact type of T1.

T-TYPE STRAINERS T2

T-TYPE STRAINERS T2

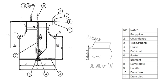
T2 type is for straight flow use. This strainer is suitable for relatively coarse filtration.

MATERIAL

Body
Carbon Steel / SUS304 / SUS316 / SUS316L / Rubber Lining / Lining (Teflon PE PVC Flake) Galvanized, Almanized
Element
SUS304 / SUS304 / SUS316 / SUS316L / SUS316L / SUS304 / SUS316 / SUS316L / Hastelloy Monel / ALLOY20

WHERE TO PLACE

  • Electrical Power Plants and Steel Plants: Sea water and industrial water lines
  • Refinery Plants: Process lines
  • Petrochemical Plants: Process lines

FAQ

Q1. Types of strainers Daido supplies.

Answer1.

  1. Temporary Strainers
    They are to be installed between piping flanges and used for start-up and flushing.
  2. Y-type, T-type and Riser Strainers
    These types of strainers are used for flowing fluids or gases which contains less foreign particles. Y-type and T-type strainers are mainly installed to protect vital piping equipments such as pumps, flow-meters and heat-exchangers. And Riser type is often installed in firefighting equipment lines in order to prevent spray nozzles from clogging.
  3. Bucket Strainers
    Bucket strainers are used to protect piping equipments like other types of strainers. An advantage over the other types of strainers, bucket type is more flexible about adapting specifications such as design pressure and size exactly to customers’ needs.

CONTACT DAIDO

Please click Contact page

Tel : +81-3-3252-0411

CATALOG DOWNLOAD

Please click Catalog page

CONTACT

If you have any inquiries, please feel free to contact us.

Contact US

CATALOG
DOWNLOAD

Click here to download the product catalog