1. HOME
  2. PRODUCTS
  3. Strainers / Auto Strainers
  4. DUPLEX STRAINERS B2W

PRODUCTS

DUPLEX STRAINERS B2W

DUPLEX STRAINERS B2W

DUPLEX STRAINERS B2W

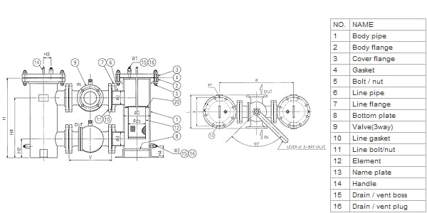
Duplex B2W type strainers are used for piping to operate continuously where single strainer cannot be used as the flow needs to be interrupted to clean the element.

MATERIAL

Available Materials. We can manufacture in a wide variety of special materials. If you need strainers in other unique materials, please contact us.

Body
Carbon Steel / SUS304 / SUS316 / SUS316L / Rubber Lining / Lining (Teflon PE PVC Flake) Galvanized, Almanized
Element
SUS304 / SUS304 / SUS316 / SUS316L / SUS316L / SUS304 / SUS316 / SUS316L / Hastelloy Monel / ALLOY20

WHERE TO PLACE

  • Electrical Power Plants and Steel Plants: Sea water and industrial water lines
  • Refinery Plants: Process lines
  • Petrochemical Plants: Process lines

FAQ

Q1. Types of strainers Daido supplies.

Answer1.

  1. Temporary Strainers
    They are to be installed between piping flanges and used for start-up and flushing.
  2. Y-type, T-type and Riser Strainers
    These types of strainers are used for flowing fluids or gases which contains less foreign particles. Y-type and T-type strainers are mainly installed to protect vital piping equipments such as pumps, flow-meters and heat-exchangers. And Riser type is often installed in firefighting equipment lines in order to prevent spray nozzles from clogging.
  3. Bucket Strainers
    Bucket strainers are used to protect piping equipments like other types of strainers. An advantage over the other types of strainers, bucket type is more flexible about adapting specifications such as design pressure and size exactly to customers’ needs.

CONTACT DAIDO

Please click Contact page

Tel : +81-3-3252-0411

CATALOG DOWNLOAD

Please click Catalog page

CONTACT

If you have any inquiries, please feel free to contact us.

Contact US

CATALOG
DOWNLOAD

Click here to download the product catalog