1. HOME
  2. PRODUCTS
  3. Sight Grass
  4. Cross Type

PRODUCTS

Cross Type

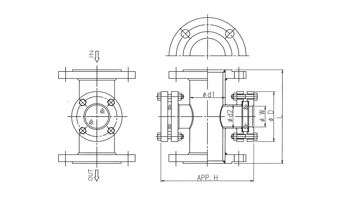
CROSS TYPE (1)

CROSS TYPE (1)

Cross type sight glasses are typical and commonly used sight glasses. Compared to 23-type, cross type sight glasses are more suitable for high-pressure lines. Available materials are carbon steel, stainless steel any other unique materials.

Sample Drawing

CROSS TYPE (2)

CROSS TYPE (2)
Sample Drawing

CROSS JACKET TYPE

CROSS JACKET TYPE

Cross jacket type sight glasses are suitable for fluids which need to prevent from evaporating or coagulating. And, they are custom made as per your specifications and requirements.

CROSS JACKET TYPE

MATERIAL

End ConnectionDesignInternal Structure/
Function
Material
FlangedWeldedFlow gauge
Float
Flapper
Nozzle
Lantern
Jacket
Carbon Steel (SGP, STPG370, etc)
Stainless Steel (304, 304L, 316, 316L)
Lining (Glass, Rubber, Teflon Coating)
Special Metals (LF-2, Titanium, Hastelloy, etc)
MachinedFlow gauge
Float
Flapper
Forged (S25C, A105, SF440A, SUS)
Special Metals (Titanium, Hastelloy, etc)
ScrewedWeldedFlow gauge
Float
Flapper
Nozzle
Carbon Steel (SGP, STPG370, etc)
Stainless Steel (304, 304L, 316, 316L)
Special Metals (LF-2, Titanium, Hastelloy, etc)
MachinedFlow gauge
Float
Flapper
Forged (S25C, A105, SF440A, SUS)
Special Metals (Titanium, Hastelloy, etc)
Socket WeldWeldedFlow gauge
Float
Flapper
Carbon Steel (SGP, STPG370, etc)
Stainless Steel (304, 304L, 316, 316L)
Special Metals (LF-2, Titanium, Hastelloy, etc)
MachinedForged (S25C, A105, SF440A, SUS)
Special Metals (Titanium, Hastelloy, etc)
Swipe

Swipe to see the table

WHERE TO PLACE

We have delivered sight glasses to various plants all over the world. And, thanks to our clients, our sight glasses are highly appreciated not only in Japan but also all over the world.

Our products are custom-made. With fifty year experiences, we are flexible with the demands of custom tailoring and have a capability to meet any requirements.

As a pioneer of sight glass manufacturer, we keep on developing new products and provide our clients with high-quality products.

FAQ

Q1. What are Float (Ball) and Plate (Flapper)?

Answer.

  1. Float (Ball)
    Float type sight glasses are used for observing the fluid flow of fast flow velocity by the motion of balls within ring.
  2. Plate (Flapper)
    Flapper type sight glasses are used for observing the state of fluid flow depending on opening and closing of the flapper on fluid flow.
  3. Simple Structure
Q2. What kind of glasses is available?

Answer.

  1. Tempered Glass: Max. Temperature 80°C
  2. Pyrex Tempered Glass: Max. Temperature 260°C
  3. Silica Glass: Max. Temperature 1000°C

Tempered Glass and Pyrex Tempered Glass are mainly applied to sight glasses.
However, all of these glasses are inapplicable for alkali fluids. For alkali fluids, Teflon lined glasses or MICA are applied.

CONTACT DAIDO

Please click Contact page

Tel : +81-3-3252-0411

CATALOG DOWNLOAD

Please click Catalog page

CONTACT

If you have any inquiries, please feel free to contact us.

Contact US

CATALOG
DOWNLOAD

Click here to download the product catalog